полицейская мигалка схема на 555. мощный стробоскоп на светодиодах 12 вольт. схема мигалка светодиодах схема 555. полицейская мигалка схема. схема светодиодный стробоскоп 555.
полицейская мигалка схема на 555. мощный стробоскоп на светодиодах 12 вольт. схема мигалка светодиодах схема 555. полицейская мигалка схема. схема светодиодный стробоскоп 555.
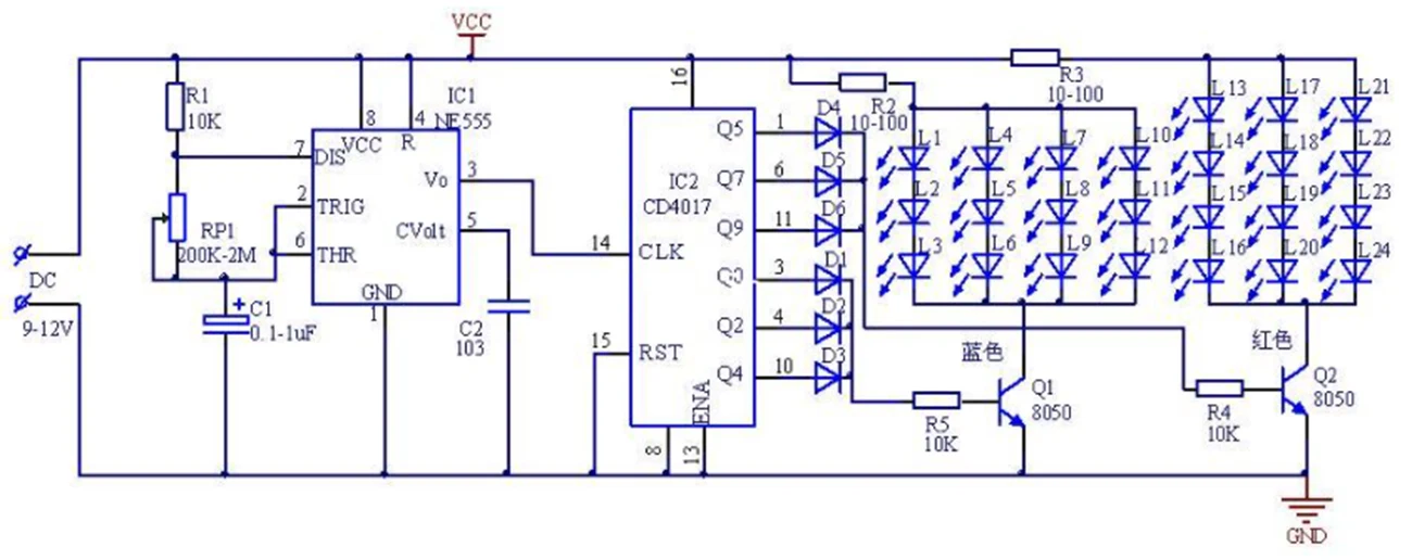
схема светодиодный стробоскоп 555. схема полицейской мигалки на светодиодах 12 вольт. стробоскоп на cd4017 ne555 схема. схема подключения светодиодной мигалки полиции. схема полицейской мигалки на светодиодах 12 вольт.
схема светодиодный стробоскоп 555. схема полицейской мигалки на светодиодах 12 вольт. стробоскоп на cd4017 ne555 схема. схема подключения светодиодной мигалки полиции. схема полицейской мигалки на светодиодах 12 вольт.
Adam 4017 схема подключения. полицейская мигалка схема на 555. мигалка на микросхеме ne555. полицейская мигалка ne555. мультивибратор на 555 таймере схема.
Adam 4017 схема подключения. полицейская мигалка схема на 555. мигалка на микросхеме ne555. полицейская мигалка ne555. мультивибратор на 555 таймере схема.
схема стробоскопа для установки зажигания на ne555. полицейская мигалка схема. схема стробоскопа 12 вольт. схема милицейской мигалки. полицейская мигалка схема.
схема стробоскопа для установки зажигания на ne555. полицейская мигалка схема. схема стробоскопа 12 вольт. схема милицейской мигалки. полицейская мигалка схема.
4017 стробоскоп схема. стробоскоп на мощных светодиодах схема. мигалки полиции на ne555. Ne555 cd4017 схема мигалка. счетчик импульсов на cd4017.
4017 стробоскоп схема. стробоскоп на мощных светодиодах схема. мигалки полиции на ne555. Ne555 cd4017 схема мигалка. счетчик импульсов на cd4017.
стробоскоп на ne555 cd4017. автомобильный стробоскоп на ne555. полицейская мигалка. схема вспышек на светодиоде. полицейская мигалка схема.
стробоскоп на ne555 cd4017. автомобильный стробоскоп на ne555. полицейская мигалка. схема вспышек на светодиоде. полицейская мигалка схема.
схема стробоскопа 12 вольт. схема полицейской мигалки на 12 вольт. полицейская мигалка схема. стробоскоп на 555 таймере схема. схема автомобильного стробоскопа на светодиодах.
схема стробоскопа 12 вольт. схема полицейской мигалки на 12 вольт. полицейская мигалка схема. стробоскоп на 555 таймере схема. схема автомобильного стробоскопа на светодиодах.
полицейская мигалка схема. схема полицейской мигалки на светодиодах 12 вольт. схема стробоскопа на светодиодах 12 вольт. полицейская мигалка схема. схема светодиодный стробоскоп 555.
полицейская мигалка схема. схема полицейской мигалки на светодиодах 12 вольт. схема стробоскопа на светодиодах 12 вольт. полицейская мигалка схема. схема светодиодный стробоскоп 555.
стробоскоп для зажигания на к561ле5. схема светодиодный стробоскоп 555. мигалка на ne555 схема. схема милицейской мигалки. полицейская мигалка схема.
стробоскоп для зажигания на к561ле5. схема светодиодный стробоскоп 555. мигалка на ne555 схема. схема милицейской мигалки. полицейская мигалка схема.
стробоскоп на 561ла7. полицейская мигалка схема. схема милицейской мигалки на светодиодах. схема мигалки на светодиодах 12 вольт. автомобильный стробоскоп на ne555.
стробоскоп на 561ла7. полицейская мигалка схема. схема милицейской мигалки на светодиодах. схема мигалки на светодиодах 12 вольт. автомобильный стробоскоп на ne555.
схема стробоскопа мигалки на светодиодах. полицейская мигалка схема. схема стробоскопа для установки зажигания на ne555. полицейский стробоскоп на ne555. схема полицейской мигалки на светодиодах 12 вольт.
схема стробоскопа мигалки на светодиодах. полицейская мигалка схема. схема стробоскопа для установки зажигания на ne555. полицейский стробоскоп на ne555. схема полицейской мигалки на светодиодах 12 вольт.
светодиодная мигалка схема на 12 вольт. набор для самостоятельной сборки ne555+cd4017. светодиодный стробоскоп на ne555. стробоскоп на 561тм2. полицейская мигалка схема.
светодиодная мигалка схема на 12 вольт. набор для самостоятельной сборки ne555+cd4017. светодиодный стробоскоп на ne555. стробоскоп на 561тм2. полицейская мигалка схема.
мигалка на ne555 схема. схема стробоскопа на светодиодах для авто. полицейская мигалка схема. схема полицейской мигалки на светодиодах. схема стробоскопа на мультивибраторе.
мигалка на ne555 схема. схема стробоскопа на светодиодах для авто. полицейская мигалка схема. схема полицейской мигалки на светодиодах. схема стробоскопа на мультивибраторе.
полицейский мигалка микросхема к561лн2,. полицейская мигалка ne555. схема полицейской мигалки на светодиодах 12 вольт. стробоскоп на cd4017. полицейская мигалка схема.
полицейский мигалка микросхема к561лн2,. полицейская мигалка ne555. схема полицейской мигалки на светодиодах 12 вольт. стробоскоп на cd4017. полицейская мигалка схема.
схема светодиодный стробоскоп 555. мигалка на ne555 схема. радиоконструктор rl181. полицейская мигалка схема. полицейская мигалка схема.
схема светодиодный стробоскоп 555. мигалка на ne555 схема. радиоконструктор rl181. полицейская мигалка схема. полицейская мигалка схема.
полицейская мигалка схема. стробоскоп на таймере 555. полицейская мигалка схема. светодиодный стробоскоп на таймере 555. 4017 стробоскоп схема.
полицейская мигалка схема. стробоскоп на таймере 555. полицейская мигалка схема. светодиодный стробоскоп на таймере 555. 4017 стробоскоп схема.
полицейская мигалка схема. полицейская мигалка схема. стробоскоп на ne555 cd4017. схема сигнального стробоскопа 220в. схема стробоскопа мигалки на светодиодах.
полицейская мигалка схема. полицейская мигалка схема. стробоскоп на ne555 cd4017. схема сигнального стробоскопа 220в. схема стробоскопа мигалки на светодиодах.
полицейская мигалка схема. стробоскоп зажигания на 555 м таймере. схема полицейской мигалки на светодиодах 12 вольт. схема светодиодного проблескового маячка. Cd4017 мигалка.
полицейская мигалка схема. стробоскоп зажигания на 555 м таймере. схема полицейской мигалки на светодиодах 12 вольт. схема светодиодного проблескового маячка. Cd4017 мигалка.
полицейская мигалка схема
полицейская мигалка схема
полицейская мигалка схема
полицейская мигалка схема